blog
Trang chủ blog

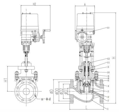
Van điều khiển cân bằng áp suất điện một chỗ ngồi với hai cánh ở mỗi bên

lưu trữ
THẺ

Van điều khiển cân bằng áp suất điện một chỗ ngồi với hai cánh ở mỗi bên

November 30, -0001

Giới thiệu:

 

Trong thế giới năng động của các quy trình công nghiệp, việc kiểm soát chính xác là tối quan trọng. Giới thiệu sản phẩm mang tính cách mạng của GEKO Van điều khiển cân bằng áp suất điện một chỗ ngồi với cánh kép ở mỗi bên, một giải pháp tiên tiến được thiết kế để nâng cao khả năng kiểm soát của bạn lên mức chưa từng có.

 

Electric-Pressure-Balance-Single-Seat-Control-Valve-with-a-Double-Flap-On-Each-Side.jpg

 

Các tính năng chính:

 

Độ chính xác được định nghĩa lại:

GEKO của Van cân bằng áp suất điện được thiết kế để mang lại độ chính xác vượt trội trong việc kiểm soát lưu lượng và áp suất. Thiết kế cánh kép ở mỗi bên đảm bảo khả năng điều chế chính xác và nhạy bén, cho phép kiểm soát quy trình tối ưu trong nhiều ứng dụng khác nhau.

 

Công nghệ cân bằng áp suất:

Công nghệ cân bằng áp suất được tích hợp trong này van điều khiển đảm bảo tính ổn định và độ tin cậy khi vận hành. Trải nghiệm hiệu suất ổn định ngay cả trong điều kiện quy trình đầy thách thức và biến động, nhờ cam kết của GEKO về công nghệ tiên tiến.

 

Ưu điểm của nắp kép:

Thiết kế cánh kép ở mỗi bên van là một bước đột phá. Nó giúp tăng cường độ chính xác điều khiển, giảm thiểu độ trễ và tối ưu hóa thời gian phản hồi. Tính năng đột phá này giúp GEKO trở thành công ty hàng đầu trong công nghệ van điều khiển.

 

Sự linh hoạt được giải phóng:

Cho dù bạn đang hoạt động trong ngành hóa chất, hóa dầu, sản xuất điện hay các ngành công nghiệp quy trình khác, Van cân bằng áp suất điện của GEKO được thiết kế để thích ứng với nhiều ứng dụng khác nhau. Tính linh hoạt của nó khiến nó trở thành giải pháp lý tưởng cho các kỹ sư và nhà vận hành đang tìm kiếm một van điều khiển đáng tin cậy và linh hoạt.

 

Tích hợp liền mạch:

Việc tích hợp vào các hệ thống điều khiển hiện có diễn ra liền mạch, cho phép nâng cấp dễ dàng lên thiết lập hiện tại. Trải nghiệm những lợi ích của công nghệ điều khiển hiện đại mà không bị gián đoạn bởi những thay đổi lớn.

 

Kết cấu chắc chắn:

GEKO thấu hiểu nhu cầu của môi trường công nghiệp. Van điều khiển được thiết kế chú trọng đến độ bền, với kết cấu chắc chắn, đảm bảo tuổi thọ lâu dài và chi phí bảo trì tối thiểu, góp phần mang lại hiệu quả chi phí tổng thể.

 

Phần kết luận:


Van điều khiển cân bằng áp suất điện một chỗ ngồi của GEKO với hai cánh đảo gió mỗi bên là giải pháp đột phá cho các ngành công nghiệp đang tìm kiếm độ chính xác, hiệu quả và độ tin cậy. Nâng cao khả năng điều khiển và dẫn đầu trong bối cảnh cạnh tranh với cam kết đổi mới và xuất sắc của GEKO. Đầu tư vào tương lai của công nghệ điều khiển – hãy chọn GEKO. info@geko-union.com

 

để lại lời nhắn

để lại lời nhắn
Nếu bạn quan tâm đến sản phẩm của chúng tôi và muốn biết thêm chi tiết, vui lòng để lại tin nhắn tại đây, chúng tôi sẽ trả lời bạn sớm nhất có thể.
nộp

Trang chủ

Các sản phẩm

liên hệ